因為後方向燈橡膠座老化

我滔寶買了一組回來換

發現有快閃問題

我也想打方向燈有聲音提示

這兩問題需要換繼電器

請問忍400繼電器位置在哪?




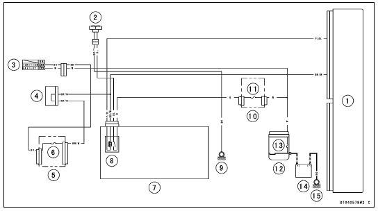
1. ECU

2. Fan Motor

3. Ignition Switch

4. Joint Connector F

5. Fuse Box 1

6. Ignition Fuse 15 A

7. Relay Box

8. Fan Relay

9. Frame Ground 3

10. Fuse Box 2

11. Fan Fuse 15 A

12. Starter Relay

13. Main Fuse 30 A

14. Battery

15. Engine Ground
Yi0924
沒拆車殼看不到 看樣子左邊這個車殼要拆才能看到 有時間再來弄 感謝
文章分享
評分
評分
複製連結

今日熱門文章 網友點擊推薦!