討論群組
小惡魔市集
悅遊日本
活動報導
登入/註冊
首頁
討論區
站內搜尋
本站新聞
精選文章
熱門文章
最新文章
好文英雄
影片專區
站上活動
福利社文章
APP下載
手機
手機綜合討論區
Android
台灣品牌
Asus
HTC
日韓品牌
LG
SAMSUNG
Sharp
Sony / SE
歐美品牌
Google
MOTOROLA
Nokia
中國品牌
Huawei
OPPO
POCO
Realme
SUGAR
vivo
小米手機
其他品牌
Acer
GSmart
InFocus
BlackBerry
酷派
中興
聯想
軟體分享
其他作業系統
BlackBerry
BlackBerry
軟體分享
Symbian
NOKIA
Samsung
Sony Ericsson
其他品牌
軟體分享
Windows Phone
Acer
Asus
HTC
Garmin-Asus
GSmart
HP
LG
Nokia
SAMSUNG
Sony / SE
TOSHIBA
其他品牌
軟體分享
其他智慧型手機
日本手機
其他作業系統綜合討論區
Feature Phone
Asus
BenQ
LG
MOTOROLA
NOKIA
SAMSUNG
Sony Ericsson
其他品牌
資費與週邊
電信業者與資費
手機週邊與穿戴裝置
手機消費經驗分享
相機
相機綜合討論區
消費型相機
Canon
Casio
Fujifilm
Kodak
Leica
Nikon
Olympus
Panasonic
Pentax
Ricoh
Samsung
Sigma
Sony
消費型相機綜合
可換鏡頭相機
Canon
Fujifilm
Leica
Nikon
Olympus
Panasonic
Pentax
Samsung
Samyang
Sigma
Sony
Tamron
Tokina
Zeiss
可換鏡頭相機綜合
運動、空拍、攝影機
Canon
DJI
Garmin
GoPro
Insta360
Panasonic
Sony
影片後製與剪輯
運動、空拍、攝影機綜合
影像器材周邊
傳統與特殊相機
攝影觀念及技術
影像處理與後製
相機消費經驗分享
筆電
筆電綜合討論區
台灣品牌
Acer
Asus
BenQ
CJSCOPE
CLEVO
GIGABYTE
MSI
亞洲品牌
Fujitsu
Lenovo
LG
Panasonic
Sony
Toshiba
歐美品牌
DELL
HP
Razer
Surface
Android平板電腦
Windows平板電腦
其他攜帶型電腦
筆電消費經驗分享
電腦
電腦綜合討論區
核心組件
中央處理器
主機板
記憶體
儲存裝置
硬碟
SSD固態硬碟
外接式硬碟盒
隨身碟與錄音筆
光碟燒錄
網路儲存裝置
其他儲存
顯示設備
顯示卡
電腦螢幕
電視卡盒
電腦週邊
其他電腦週邊
鍵盤與手寫板
滑鼠與鍵鼠組
噴墨印表機
雷射印表機
音效裝置
機殼散熱
機殼
電源供應器
散熱器
其他電源設備
網路產品
基地台與分享器
網路卡
網路視訊與電話
網站與網頁技術
其他網路設備與技術
電腦軟體
作業系統
電腦安全
影像處理
影片播放與轉檔
文書處理
其他應用軟體
品牌電腦與準系統
自組電腦分享
其他電腦綜合討論
電腦組裝訪價消費分享
Google服務分享
AI人工智慧
蘋果
蘋果綜合討論區
蘋果軟體綜合
蘋果軟體
iPad 軟體
iPhone 軟體
iPad
iPhone
iPod
iOS Jailbreak
Apple TV
Apple Watch
Apple Music
Mac桌上型電腦
Mac筆記型電腦
蘋果週邊綜合
蘋果裝置消費經驗分享
影音
影音綜合討論區
行動影音
高畫質視界
發燒音響
小惡魔影城
音樂鑑賞室
其他影音裝置
小惡魔電視台
影音消費經驗分享
汽車
汽車綜合討論區
歐洲車系
德國車系
德國車系綜合
Audi
BMW
Mercedes Benz
Opel
Porsche
Skoda
Volkswagen
英國車系
英國車系綜合
Aston Martin
Bentley
Jaguar
Land Rover
Lotus
McLaren
Mini
MG
法國車系
法國車系綜合
Peugeot
瑞典車系
Saab
Volvo
義大利車系
義大利車系綜合
Alfa Romeo
Ferrari
Lamborghini
Maserati
美國車系
美國車系綜合
Ford
GM車系
Tesla
日本車系
日本車系綜合
Honda
INFINITI
LEXUS
Mazda
Mitsubishi
Nissan
Subaru
Suzuki
Toyota
韓國車系
韓國車系綜合
Hyundai
KIA
台灣車系
LUXGEN
汽車周邊
汽車行車記錄器
行車記錄器綜合
DoD
GARMIN
Mio
PAPAGO
汽車GPS
GARMIN
HOLUX
Mio
PAPAGO
Panasonic
TOMTOM
樂客導航王
其他品牌
中國品牌
消費經驗分享
汽車零組件
輪圈與輪胎
汽車話題
動力研究室
WRC / F1 賽事討論
汽機車七嘴八舌
汽車消費經驗分享
ETC專區
汽車遊記分享
購車菜單
機車
機車綜合討論區
輕型與重型機車
輕型與重型機車綜合
AEON
HARTFORD
HONDA
KYMCO
PGO
SUZUKI
SYM
YAMAHA
VESPA
大型重型機車
大型重型機車綜合
AEON
BMW
DUCATI
HARLEY-DAVIDSON
HONDA
KAWASAKI
KTM
KYMCO
SUZUKI
SYM
TRIUMPH
VESPA
YAMAHA
電動機車
電動機車綜合
Aeonmotor
eMOVING
Gogoro
KYMCO
YAMAHA
機車行車記錄器
機車行車記錄器綜合
Mio
SJCAM
雲創
歐視達
響尾蛇
機車GPS
機車GPS綜合
GARMIN
Mio
PAPAGO
人身安全部品
機車活動區
機車遊記分享
機車賽事
機車消費經驗分享
單車
單車綜合討論區
單車GPS
GARMIN
其他品牌
單車其他車種
自行車活動與賽事
登山車
公路車
單速車
小徑與摺疊車
自行車週邊與保養改裝
遊記與路線分享區
自行車GPS航跡分享
單車消費經驗分享
遊戲
遊戲綜合討論區
家用主機
Sony PlayStation
PS5 / PS4
PSP
PS VITA
Microsoft Xbox
任天堂
Wii
DS
Switch 2/Switch
熱門遊戲
Blizzard
魔獸世界
暗黑破壞神
星海爭霸
爐石戰記
暴雪英霸
鬥陣特攻
EA
戰地風雲
手機遊戲
Android遊戲
iOS遊戲
線上遊戲
線上遊戲綜合
英雄聯盟
戰車世界
魔物獵人
電腦遊戲
電腦遊戲掌機
雲端遊戲
NVIDIA GeForce Now
Hami 雲端遊戲
friDay 雲遊戲
Microsoft xCloud
Sony PlayStation Now
網頁遊戲
其他遊戲
電競週邊
虛擬實境裝置
封測帳號發送
遊戲消費經驗分享
居家
居家綜合討論區
北部房產
基隆市
台北市
新北市
桃園市
新竹市
新竹縣
苗栗縣
中部房產
台中市
彰化縣
南投縣
雲林縣
嘉義市
嘉義縣
南部房產
台南市
高雄市
屏東縣
東部房產
台東縣
花蓮縣
宜蘭縣
澎湖縣
金門縣
連江縣
房地產資訊
居家修繕
居家風水
家用電器
清掃家電
廚房家電
洗濯家電
空調家電
生活家電
空間設計與裝潢
庭院園藝樂
木工DIY
管委鄰里大小事
營造與建築
房產買賣
北部房產買賣
基隆市房產買賣
台北市房產買賣
新北市房產買賣
桃園市房產買賣
新竹市房產買賣
新竹縣房產買賣
苗栗縣房產買賣
中部房產買賣
台中市房產買賣
彰化縣房產買賣
南投縣房產買賣
雲林縣房產買賣
嘉義市房產買賣
嘉義縣房產買賣
南部房產買賣
台南市房產買賣
高雄市房產買賣
屏東縣房產買賣
東部與外島房產買賣
台東縣房產買賣
花蓮縣房產買賣
宜蘭縣房產買賣
澎湖縣房產買賣
金門縣房產買賣
連江縣房產買賣
房產租賃
北部房產租賃
基隆市房產租賃
台北市房產租賃
新北市房產租賃
桃園市房產租賃
新竹市房產租賃
新竹縣房產租賃
苗栗縣房產租賃
中部房產租賃
台中市房產租賃
彰化縣房產租賃
南投縣房產租賃
雲林縣房產租賃
嘉義市房產租賃
嘉義縣房產租賃
南部房產租賃
台南市房產租賃
高雄市房產租賃
屏東縣房產租賃
東部與外島房產租賃
台東縣房產租賃
花蓮縣房產租賃
宜蘭縣房產租賃
澎湖縣房產租賃
金門縣房產租賃
連江縣房產租賃
居家房事消費經驗分享
親子
親子綜合討論區
彩妝保養
時尚流行
星座占卜
育兒話題
女人心事
孕前產後
嬰幼食品
童書玩具
寶貝健康
婚姻感情
親子消費經驗分享
時尚
時尚綜合討論區
典藏腕時計
腕錶綜合討論
Audemars Piguet
Breitling
Cartier
Casio
Citizen
GARMIN
IWC
Longines
Mido
Omega
Oris
Panerai
Patek Philippe
Rolex
Seiko
Zenith
Tissot
帽子與眼鏡
外套與上衣
褲款大搜查
鞋靴樂收藏
包包大集合
飾品與配件
造型與保養
時尚流行綜合討論
時尚消費經驗分享
運動
運動綜合討論區
球類運動
籃球
棒壘球
足球
網球
羽球
高爾夫球
桌球
慢跑
游泳
潛水
鐵人三項
健身重訓
衝浪
滑雪
運動綜合
運動型穿戴裝置
運動健身消費經驗分享
戶外
戶外綜合討論區
登山與健行
享受釣遊樂
露營野炊樂
手電筒與照明
戶外手持GPS裝置
其他戶外活動
生活
生活綜合討論區
遙控與模型
逸品博覽會
動物與寵物
健康與養生
品酩享微醺
漫畫與動畫
閱讀與創作
電子閱讀趣
料理與食譜
就愛咖啡香
品茗賞壺趣
法律新觀點
惡魔島
英雄村
旅遊
旅遊美食綜合討論
北部地區
基隆市
台北市
新北市
桃園市
新竹市
新竹縣
苗栗縣
中部地區
台中市
彰化縣
南投縣
雲林縣
嘉義市
嘉義縣
南部地區
台南市
高雄市
屏東縣
東部與外島
台東縣
花蓮縣
宜蘭縣
澎湖縣
金門縣
連江縣
五大洲
中國港澳
東北亞
東南亞
紐澳
歐洲
美洲
南亞
西亞
非洲
航空翱翔
交通運輸
租車經驗
電信漫遊
住宿訂房
其他討論
理財
理財綜合討論區
國內投資
股票 / ETF
基金
期貨 / 選擇權 / 權證
海外投資
美股
陸股 / 港股
匯率 / 虛擬貨幣
金屬 / 原物料
其他
信用卡與消費
人身保險
產物保險
行動支付
生活理財
投資理財綜合
閒聊
閒聊綜合討論區
投資與理財
閒聊與趣味
兩性與感情
軍事迷基地
職場甘苦談
創業夢想家
時事
時事綜合討論區
台灣新聞
國際新聞
兩岸新聞
COVID-19專區
市集
悅遊日本
YouTube
首頁
汽車
汽車GPS
汽車GPS其他品牌
前往頁尾
返回列表
訂閱文章
我要回覆
sxxyj
0分
樓主
sxxyj
個人積分:0分
文章編號:397921
文章段落
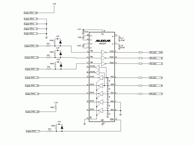
求教Haily版主,是否有Casio E125的接腳定義?
2005-01-08 8:36
522
0
收藏
回覆
分享
引言
連結
回報
推薦
內嵌文章
只看樓主
列印
请教Haily版主,是否有Casio E125的接腳定義?
2005-01-08 8:36
#1
0
引言
分享
文章關鍵字
Haily
版主
CASIO E125
接腳定義
Haily
3482分
2樓
Haily
個人積分:3482分
文章編號:398653
好不容易從歷史資料裡面翻出來
Casio RS232 接頭線路
2005-01-09 0:59
#2
0
評分
取消
確定
引言
我要留言
連結
回報
只看此人
列印
0/100
我要留言
sxxyj
0分
樓主
sxxyj
個人積分:0分
文章編號:398889
麻烦版主了.
再请教一下,如果与TTL电平的GPS相连,是否只要直接把11,12脚与GPS的TX,RX连接起来就可以了,外加上一个接地.
2005-01-09 11:50
#3
0
評分
取消
確定
引言
我要留言
連結
回報
只看樓主
列印
0/100
我要留言
常用
表情
動作
物品
短文字
長文字
首頁
汽車
汽車GPS
汽車GPS其他品牌
我要回覆
小惡魔新聞台
【國內新訊】Nissan 推出加碼購車金優惠,另可搭配「乙式車體險補助」及「盲點救星套件」!
【採訪】Cars&Manner 2025|不分車種品牌、原廠/改裝,愛車人士純粹的午後相聚!
為提供您更優質的服務,本網站使用cookies。若您繼續瀏覽網頁,即表示您同意我們的cookies政策。
了解隱私權條款
我知道了!請關閉提示
文章分享
加入好友名單
名稱
群組
全部朋友
描述
取消
確定
評分
取消
確定
評分
取消
確定
複製連結
複製
留言回報
留言違規
請選擇違規類型
提供個人聯絡資訊, 文不對題, 名稱選字不正確
散佈盜版資訊, 自刪文章
違規團購或問卷調查, 商品廣告或買賣
涉及政府法令, 攻擊、侮辱、非理性行為
詐騙/色情內容回報
上述事項以外的情況
取消
確定
今日熱門文章 網友點擊推薦!