BM接腳是不能拉到電瓶的
18490鋰電池電壓特性和電瓶的鉛酸電池電壓完全不同

即使你想把BM接點拉出來
也是要同樣鋰電池外接電源才可以

最簡單的方式就是
原本的18490拔掉之後
買18650電池盒組成2S1P或是更大容量的2S2P,2S4P,2S8P
保證讓你的相機電量用到相機燒了還用不完

S=串聯
P=並聯

國際牌18650單一顆3200mHA
2S8P可以組成7.4V 25600mHA
比EL15原廠電池多了13.4倍容量

ly80057 wrote:
這句話是只說拆掉連...(恕刪)
roachc wrote:
那篇主題(SONY...(恕刪)


哈哈
拍謝
沒跟您說清楚..
我知道那個騙局是您的作品

我是引用這位仁兄nakayosi的想法的



nakayosi wrote:
BM接腳是不能拉到...(恕刪)


照您這樣說法
這樣直接用行動電源就可行了!?
大家都是來求知的 講話有而要這麼酸嗎?
不行的,行動電源採用的是全部鋰電池並聯設計
看是2顆 3顆 4顆
他里頭的電壓只有3.7v
而且還需要透過升壓晶片到5v再由USB供應

除非你把行動電源分解,裡頭的18650拿出來另外焊接或是買電池盒變成並聯7.4v

nakayosi wrote:
不行的,行動電源採...(恕刪)


應該是說
找一個可以訂製的行動電源
或者是DIY一個可以調壓的行動電源
而不是直接拿市面上在用的行動電源
大家都是來求知的 講話有而要這麼酸嗎?
ly80057 wrote:
接上汽機車用的電瓶+降壓模組(沒穩壓)..(恕刪)

你看到的那些 降壓模組, 本身就是 穩壓器...

這是 XL-4015 的示範電路


有沒有看見 電路的輸出端, 有 R2 & R1 分壓, 拉回 IC 的 FB 腳, 和IC內部的 參考電壓 1.25V 比較?

因為 裡底下有個公式 VOUT = 1.25*(1+R2/R1)..


所有的穩壓電路, 全都是這個模樣..

不管你是 線性 還是 轉換式, 全都是 輸出分壓 拉回來 比較.
宅男乙 wrote:
所有的穩壓電路, 全都是這個模樣
不管你是 線性 還是 轉換式, 全都是 輸出分壓 拉回來 比較.
宅大,容我補充一下:
這個模樣的電路結構,
僅出現在 Switching Power 上,
偵測輸出電壓變化,回饋給開關晶體,來達到穩壓輸出的目的。

早期的 78xx 系列穩壓 IC 僅有三支腳:Vin E Vout
連第四支腳都沒有。


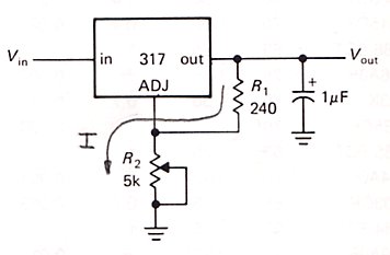
至於 317 系列雖然也是僅有三支接腳,
就如同您說的這個模樣囉!
文章分享
評分
評分
複製連結

今日熱門文章 網友點擊推薦!