(5/26更新~已解決)見鬼了之~更換電瓶經驗!!

白炬 wrote:
看的懂的就會,不要...(恕刪)


樓主有說兩次了 車是擺著11天都沒騎 11天前有電 停著11天後要騎就沒電了
都沒騎沒發動 哪來的充電問題呀 但的確少數案例整流器掛點會導致沒發動時會吃電
只是有些人查都沒查就教人直接換整流器 到時只是電線破皮短路 整流器是要幫忙買下來嗎

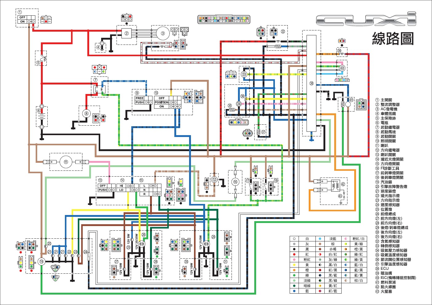
既然都PO圖了 來張實用點的吧
先查查那條紅線吧 先看看是不是有哪邊破皮短路造成漏電了 沒漏電再查別的吧
新的電池如果沒充電
裝上後沒騎比較遠
讓機車本身的發電機
給電池充電到飽
又多日沒有發動很可能
是放電過度
如果是騎了很遠又每天都發動
應該是沒充電這時再看是不是
整流器或是發電機還是接頭問題
我之前也是常發不動但敲一敲又可

以發動仔細檢查才發現是電池接頭
的線斷了但有一跟要斷不斷要沒接到
無法發動敲一敲晃動一下車子線碰到
就可發動難怪換電池都沒用

後來接跟線焊住就好了

kaots wrote:
3.電瓶加入電解液並靜置20分鐘
4.裝好新電瓶以三用電表量測新電瓶電壓約12.8
V(恕刪)


假性電壓


安裝新電池再觀察



以上一大堆亂猜也不是個事.........
低到幾伏特,電瓶算壞掉?
還可以充嗎?怎麼都是到這麼低?

tmat wrote:
既然都PO圖了 來張實用點的吧
先查查那條紅線吧 先看看是不是有哪邊破皮短路造成漏電了 沒漏電再查別的吧
我就說01神人多,tmat大連這張圖都有
如果這不是神人,那什麼是神人
名嘴只會消費別人的傷口,他們發言,我們發炎。
整流器壞了趕快換吧~~~
電回充不回來的主因
也有可能是電瓶也剛好沒電了
2015/05/19 22:20更新:
晚上已經將新買的電瓶交給機車行充電
老闆叫我明天下班去拿,我再次跟大家報告一點
機車確實從5/7到5/18大約11天沒發動(因為是長輩的買菜代步車)
小弟個人認為"應該不是機車電量無法回充電瓶"的問題
因為車子根本沒有發動也沒有騎出去
所以"不會有充電的動作產生"
我猜想應該是"機車本身線路系統吃電"的問題
綜合網友寶貴意見,原因有以下可能:
1.鑰匙插者未拔,造成不明原因吃電
2.整流器壞了造成吃電
3.線路破損或短路造成吃電

我初步的想法如下:
1.明晚拿回電瓶後,當場發動並量測電瓶電壓
2.將三用電表接在電瓶上,發動後催機車油門,看看三用電表的電壓變化,以了解是否有電回充

若各位神人覺得還有什麼需要做的地方,再麻煩給我寶貴的意見,謝謝
名嘴只會消費別人的傷口,他們發言,我們發炎。
我也是特別跑北海岸讓機車充了兩小時的電, 剛回到家, 直到晚上買宵夜都一觸即發.

但因工作關係, 會連續幾天沒騎到車, 這時就會聽到馬達極為無力的轉動聲, 然後......沒聲了.

很顯然, 電瓶沒電了.

我也是認為, 我把電瓶充飽了, 而且幾天沒騎而已, 怎可能把電放光?

最後, 整流器換了, 一切問題解決.

我不保證你的問題是整流器, 但你的症頭和我的, 實在很像.



kaots wrote:
機車確實從5/7到5/18大約11天沒發動(因為是長輩的買菜代步車)
小弟個人認為"應該不是機車電量無法回充電瓶"的問題
因為車子根本沒有發動也沒有騎出去
所以"不會有充電的動作產生"
kaots wrote:
我就說01神人多,tmat...(恕刪)


其實現在DIY盛行的時代 維修手冊上網GOOGLE一下就有了
我本身沒CUXI 我只有收集有的車種的維修手冊
這張圖也是我剛剛才去GOOGLE維修手冊抓出來的

另外你的可能原因其中這點 "1.鑰匙插著未拔,造成不明原因吃電"
要確定一下鑰匙沒拔電門是轉在ON還OFF 如果是ON會吃電算是正常
如果是OFF 可以先暫時忽略這點 先查別的方向

tmat wrote:
只是有些人查都沒查就教人直接換整流器 到時只是電線破皮短路 整流器是要幫忙買下來嗎...(恕刪)

很正常啊,別說外行人,一堆車行也不都這樣。
文章分享
評分
評分
複製連結
請輸入您要前往的頁數(1 ~ 11)

今日熱門文章 網友點擊推薦!