●通過80PLUS金牌認證轉換效率
●全模組化設計,採用柔軟帶狀線材
●提供2個EPS 4+4P接頭,支援高階INTEL/AMD處理器及主機板平台
●提供1個12V-2×6插座及1條模組化線材,相容ATX 3.1/PCIe 5.1,支援新款顯示卡
●採用主動功率因數修正、全橋諧振及12V同步整流,單路12V輸出搭配DC-DC轉換3.3V/5V/-12V,使12V可用功率最大化,並改善各輸出電壓交叉調整率
●OPTISINK設計,表面黏著封裝APFC及一次側功率元件可將產生的熱量傳導至電路板大面積銅箔及散熱片
●Fractal Design MOMENTUM 14風扇具備ZERO RPM模式,開啟後於低負載/溫度下自動停止轉動,負載/溫度提高後採溫控運轉,在散熱效能與靜音中取得平衡
●全日系電容,提供10年保固
輸出接頭數量:
ATX 20+4P:1個
EPS 4+4P:2個
12V-2×6:1個
PCIE 6+2P:3個
SATA:10個
大4P:2個
▼外盒卡其色紙套正面有商標、標語、名稱、輸出功率

▼外盒卡其色紙套背面有名稱、更多資訊QR碼連結、標語、原廠網址

▼外盒左/右側面有商標、名稱、標語

▼外盒卡其色紙套側面貼紙有商標、原廠網址、80PLUS金牌認證、10年保固圖示、加州65號法案警告、交流電源線插頭類型、產地(中國)、回收資訊、認證標誌、製造商(海韻電子)、條碼、型號

▼去掉卡其色紙套的白色外盒正面有商標、標語、名稱

▼去掉卡其色紙套的白色外盒背面有名稱、標語、廠商資訊、原廠網址

▼去掉卡其色紙套的白色外盒上/下側面有商標及標語

▼包裝內容,電源放在印上商標及標語的不織布束口袋,另一個印上商標及標語的不織布束口袋可用於收納線組配件,其他還有模組化線材、3×1.31mm² 13A交流電源線、注意事項紅紙、固定螺絲、ATX 24P啟動測試插座、塑膠束帶、說明書

▼電源尺寸150×150×86mm

▼側邊外殼有商標

▼直條狀銀色風扇護網安裝在外殼內部,扇葉軸心有商標

▼電源出風口處設有交流輸入插座、電源總開關及ZERO RPM模式開關。此處標籤有商標、名稱、輸入電壓/電流/頻率、各組最大輸出電流/功率、總輸出功率、80PLUS金牌認證

▼模組化線組輸出插座有名稱標示。此處標籤有商標、條碼、型號、認證標誌、警告訊息、產地(中國)、製造商(海韻電子)

▼1條主機板電源模組化線路,提供1個ATX 20+4P接頭,18AWG線路長度60.5公分

▼2條處理器電源模組化線路,提供2個EPS 4+4P接頭,18AWG線路長度70公分

▼3條顯示卡電源模組化線路,提供3個PCIE 6+2P接頭,18AWG線路長度65公分

▼1條12V-2×6模組化線路,16AWG/28AWG線路長度69.5公分,接頭標示600W

▼12V-2×6接頭外殼側面有H++標示

▼12V-2×6接頭內部金屬連接器的樣式如下圖所示

▼3條SATA模組化線路,提供10個直角SATA接頭,2條4接頭的至第一個接頭18AWG線路長度45公分,接頭間18AWG線路長度15公分。1條2接頭的至第一個接頭18AWG線路長度65公分,接頭間18AWG線路長度15公分

▼1條大4P模組化線路,提供2個省力易拔大4P接頭,至第一個接頭18AWG線路長度65公分,接頭間18AWG線路長度15公分

▼將所有模組化線路插上的樣子

▼使用柔軟帶狀線材(圖中為線組本身重量自然下垂無施力彎曲狀態)

▼12V-2×6模組化線路接頭連接處近照

▼內部結構及使用元件說明簡表

▼採用一次側主動功率因數修正及全橋諧振,二次側12V同步整流,並經由DC-DC轉換3.3V/5V/-12V。圖片中最上方是整合APFC及一次側功率元件的OPTISINK子卡,安置在電源側邊靠近風扇扇葉邊緣的位置以提高散熱效率,同時將部分熱量透過輻射傳導到側邊外殼

▼採用Fractal Design MOMENTUM 14 2000RPM 12V/0.24A風扇,並設置氣流導風片

▼Fractal Design MOMENTUM 14風扇外框固定孔防震墊片接觸護網部分有加上透明墊片

▼外殼底部透明隔板於二次側區域開孔貼上導熱墊片

▼主電路板背面沒有任何元件,焊點整體做工良好,部分大電流路徑有敷錫

▼交流輸入插座及總開關後方加上小電路板,正面有2個Y電容(CY1/CY2),下方有1個X電容(CX1)。模式開關及線路有包覆套管

▼小電路板背面有X電容放電IC及電阻,未覆蓋隔板。磁芯及交流電源線有包覆套管

▼主電路板上有2個共模電感(CM1/CM2)、1個X電容(CX2)及2個Y電容(CY3/CY4)。直立安裝的保險絲有包覆套管,突波吸收器未包覆套管

▼2個GBU1508橋式整流器固定在散熱片的兩個面上

▼OPTISINK子卡,TO-263表面黏著封裝功率元件及鍍鎳處理的鋁散熱片錫焊在銅箔上,頂部打孔增加散熱表面積

▼OPTISINK子卡上的INFINEON英飛凌IDK08G65C5 TO-263表面黏著封裝APFC二極體及2個ALPHA & OMEGA萬國半導體AOB125A60L TO-263表面黏著封裝APFC MOSFET

▼OPTISINK子卡上的CHAMPION虹冠電子CM6500UNX負責APFC電路控制

▼APFC電容採用RUBYCON 400V 820µF MXK系列105℃電解電容,本體及接腳包覆套管的NTC熱敏電阻用來抑制輸入湧浪電流,電源啟動後會使用繼電器將其短路,去除NTC所造成的功耗損失

▼輔助電源電路變壓器包覆黑色聚酯薄膜膠帶,一次側整合IC為EXCELLIANCE MOS杰力科技EM8569C,二次側整流為DONGKE東科DK5V45R10S

▼OPTISINK子卡上的4個ALPHA & OMEGA萬國半導體AOB190A60CL TO-263表面黏著封裝一次側MOSFET

▼主變壓器、諧振電感、隔離驅動變壓器、比流器包覆黑色聚酯薄膜膠帶,1個諧振電感及1個諧振電容組成一次側諧振槽

▼二次側區域散熱片下方6個NEXPERIA安世半導體PSMN1R0-40YLD MOSFET負責二次側12V同步整流

▼主電路板正面的CHAMPION虹冠電子CU6901VPA負責一次側諧振及二次側12V同步整流控制

▼12V輸出的NIPPON CHEMI-CON固態電容、NIPPON CHEMI-CON電解電容、電感、偵測12V電流的分流器(紅框)

▼3.3V/5V/-12V DC-DC及電源管理子卡正面除了環狀/柱狀電感及NIPPON CHEMI-CON固態電容外,ANPEC茂達電子APW7159C雙通道同步降壓PWM控制器及6個NEXPERIA安世半導體PSMN4R0-30YLD MOSFET負責轉換3.3V及5V,DIODES LSP5523負責轉換-12V,WELTREND偉詮WT7527RA電源管理IC負責監控輸出電壓/電流、接受PS-ON信號控制、產生Power Good信號。3.3V/5V/-12V DC-DC及電源管理子卡透過焊點與模組化插座板直接相連

▼主電路板正面的NUVOTON新唐科技M031FB0AE微控制器負責風扇控制

▼模組化插座板背面焊點敷錫,正面插座之間設置NIPPON CHEMI-CON(藍色印刷)/NICHICON(紅色印刷)固態電容及RUBYCON電解電容,加強輸出濾波/退耦效果

▼使用標示H++(紅框)的12V-2×6插座

接下來就是上機測試
測試文閱讀方式請參照此篇:電源測試文閱讀小指南
▼空載功耗

▼20%/50%/100%輸出轉換效率分別為91.7%/92.31%/89.56%,符合80PLUS金牌認證要求20%輸出87%效率、50%輸出90%效率、100%輸出87%效率

▼10%/20%/50%/100%輸出的交流輸入波形(黃色-電壓,紅色-電流,綠色-功率)。50%輸出下功率因數為0.9643,滿足80PLUS金牌認證要求50%輸出下功率因數大於0.9

▼綜合輸出負載測試,輸出61%時3.3V/5V電流達15A以後就不再往上加,3.3V/5V/12V電壓記錄如下表

▼綜合輸出8%至100%之間3.3V輸出電壓最高與最低點差異為81.4mV

▼綜合輸出8%至100%之間5V輸出電壓最高與最低點差異為89.4mV

▼綜合輸出8%至100%之間12V輸出電壓最高與最低點差異為110mV

▼偏載測試,這時12V維持空載,分別測試3.3V滿載(CL1)、5V滿載(CL2)、3.3V/5V滿載(CL3)的3.3V/5V/12V電壓變化,並無出現超出±5%範圍情形(3.3V:3.135V-3.465V,5V:4.75V-5.25V,12V:11.4V-12.6V)

▼純12V輸出負載測試,這時3.3V/5V維持空載,3.3V/5V/12V電壓記錄如下表

▼純12V輸出6%至100%之間3.3V輸出電壓最高與最低點差異為60.5mV

▼純12V輸出6%至100%之間5V輸出電壓最高與最低點差異為60.3mV

▼純12V輸出6%至100%之間12V輸出電壓最高與最低點差異為97mV

▼12V低輸出轉換效率測試,輸出12V/1A效率60.6%,輸出12V/2A效率72.6%,輸出12V/3A效率72.4%,輸出12V/4A效率77.3%

▼電源PS-ON信號啟動後直接3.3V/15A、5V/15A、12V/72A滿載輸出下各電壓上升時間圖,從12V開始上升處當成起點(0ms)時,12V上升時間31ms,5V上升時間4ms,3.3V上升時間4ms

▼3.3V/15A、5V/15A、12V/72A滿載輸出下斷電的Hold-up time時序圖,從交流中斷處當成起點(0ms)時,12V於18ms開始下降,21ms降至11.41V(圖片中資料點標籤)

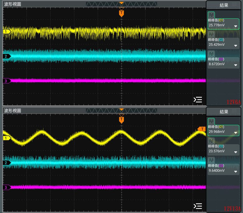
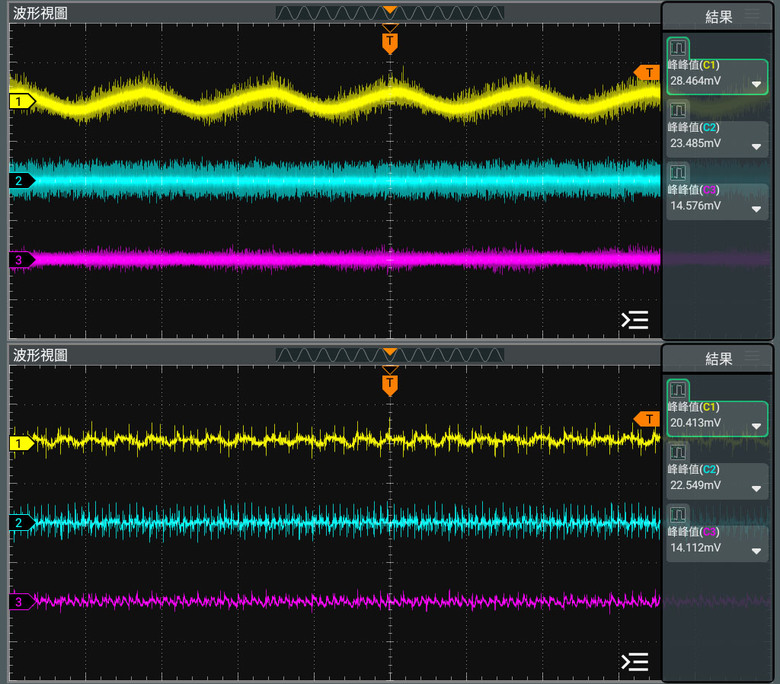
以下波形圖,CH1黃色波形為12V電壓波形,CH2藍色波形為5V電壓波形,CH3紫色波形為3.3V電壓波形
▼輸出無負載(上圖)及輸出12V/2A(下圖)的漣波

▼輸出12V/6A(上圖)及輸出12V/13A(下圖)的漣波

▼於3.3V/15A、5V/15A、12V/72A(綜合全負載)輸出下,12V/5V/3.3V各路低頻漣波分別為28.874mV/30.216mV/21.173mV,高頻漣波分別為22.733mV/29.333mV/17.21mV

▼於12V/83A(純12V全負載)輸出下,12V/5V/3.3V各路低頻漣波分別為28.464mV/23.485mV/14.576mV,高頻漣波分別為20.413mV/22.549mV/14.112mV

▼12V啟動動態負載,變動範圍5A至25A,維持時間500微秒,最大變動幅度337.24mV,同時造成5V產生105.53mV、3.3V產生134.26mV的變動

▼12V啟動動態負載,變動範圍25A至50A,維持時間500微秒,最大變動幅度437.32mV,同時造成5V產生170.02mV、3.3V產生212.98mV的變動

▼12V啟動動態負載,變動範圍10A至67A,維持時間500微秒,最大變動幅度714.21mV,同時造成5V產生291.16mV、3.3V產生355.3mV的變動

▼電源供應器滿載輸出下內部(上圖)及背面外殼(下圖)的紅外線熱影像圖

▼電源供應器滿載輸出下橋式整流/APFC電感的紅外線熱影像圖

▼電源供應器滿載輸出下OPTISINK子卡APFC二極體/APFC MOSFET/一次側MOSFET位置處正面(上圖)及背面(下圖)的紅外線熱影像圖

▼電源供應器滿載輸出下諧振電感/主變壓器/二次側(上圖)及DC-DC(下圖)的紅外線熱影像圖

▼EPS 4+4P連續輸出28A(336W)10分鐘後的電源端模組化接頭紅外線熱影像圖

▼PCIE 6+2P連續輸出21A(252W)10分鐘後的電源端模組化接頭紅外線熱影像圖

▼用隨附的12V-2×6模組化線材連接MSI GEFORCE RTX 5090 32G SUPRIM SOC進行測試

▼執行FURMARK 30分鐘後的HWiNFO感測器頁面、GPU-Z Sensors頁面、FURMARK畫面

▼執行FURMARK 30分鐘後顯示卡端插頭(左上/右上)及電源端插頭(左下/右下)的紅外線熱影像圖

本體及內部結構心得小結:
○全模組化設計,採用柔軟帶狀線材。提供1個ATX 20+4P、2個EPS 4+4P、1個12V-2×6、3個PCIE 6+2P、10個直角SATA、2個省力易拔大4P,未提供小4P接頭或轉接線
○風扇護網安裝在外殼內部,Fractal Design MOMENTUM 14風扇具備ZERO RPM模式,開啟後於低負載/溫度下自動停止轉動,負載/溫度提高後採溫控運轉,關閉後採常時溫控運轉
○磁芯/交流電源線/模式開關本體與線路/保險絲有包覆套管,突波吸收器未包覆套管,交流輸入插座及總開關的小電路板背面未覆蓋隔板
○主電路板背面沒有任何元件,於二次側區域設置導熱墊片將熱量傳導至外殼協助散熱,焊點整體做工良好,部分大電流線路有敷錫
○採用一次側主動功率因數修正及全橋諧振、二次側同步整流輸出單路12V,搭配DC-DC轉換3.3V/5V/-12V
○APFC及一次側MOSFET採用萬國半導體,APFC二極體採用英飛凌,二次側12V同步整流及3.3V&5V DC-DC MOSFET採用安世半導體,-12V DC-DC採用DIODES。OPTISINK子卡整合表面黏著封裝APFC/一次側功率元件及APFC控制器,銅箔打孔並焊上散熱片增加表面積
○APFC電容使用RUBYCON,固態電容使用NIPPON CHEMI-CON/NICHICON,其他電解電容使用NIPPON CHEMI-CON/RUBYCON
○二次側電源管理IC可偵測輸出電壓/電流是否在正常範圍,並加裝微控制器控制風扇
各項測試結果簡單總結:
○20%/50%/100%輸出轉換效率分別為91.7%/92.31%/89.56%,符合80PLUS金牌認證要求
○功率因數修正,符合80PLUS金牌認證要求
○偏載測試,12V維持空載,測試3.3V滿載、5V滿載、3.3V/5V滿載的3.3V/5V/12V電壓變化,均未超出±5%範圍
○電源啟動至綜合全負載輸出狀態,12V上升時間31ms,5V上升時間4ms,3.3V上升時間4ms
○綜合全負載輸出狀態切斷AC輸入模擬電力中斷,12V於18ms開始下降,21ms降至11.41V
○綜合全負載輸出下12V/5V/3.3V各路低頻漣波分別為28.874mV/30.216mV/21.173mV,於純12V全負載輸出下12V/5V/3.3V各路低頻漣波分別為28.464mV/23.485mV/14.576mV
○12V動態負載測試,變動範圍5A至25A,維持時間500微秒,最大變動幅度337.24mV
○12V動態負載測試,變動範圍25A至50A,維持時間500微秒,最大變動幅度437.32mV
○12V動態負載測試,變動範圍10A至67A,維持時間500微秒,最大變動幅度714.21mV
○熱機下3.3V過電流截止點37A(148%),5V過電流截止點35A(140%),12V過電流截止點118A(142%)
報告完畢,謝謝收看




























































































