有人2019年星艦還在騎的嗎?

gogotest wrote:
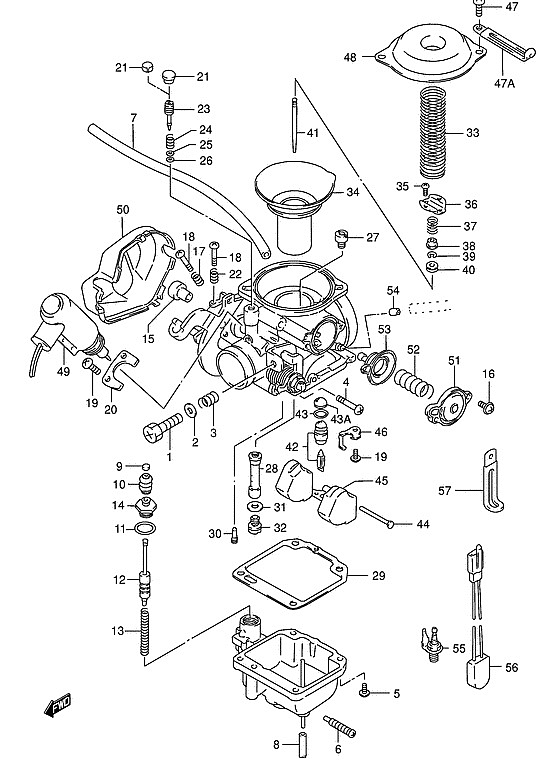
BS26化油器不好整理,我是直接換通用款新品。
恕刪)


BS26化油器雖複雜,但還是可清洗整理,只是霧化管拆要有技巧,我是上外國網站查才知拆法




gogotest wrote:
排氣管還是原廠無觸煤的最好用,
..(恕刪)

跟副廠管差在哪裏?是高轉速時的排氣順暢度嗎?
還是引擎的震動有關?
星艦125生產年份及車型資料(監理站官方照片)
二期環保
AN125T 幻象星艦 84(1995),引擎號碼:D30開頭,尖頭,碟煞,上扶手把,後無貨架








AN125U 幻象星艦 84(1995),引擎號碼:D33開頭,尖頭,鼓煞,上扶手把,後無貨架






三期環保
AN125T1 遨遊星艦 86(1997),引擎號碼:DF110開頭,圓頭,碟煞,長烤漆扶手把






AN125U1 遨遊星艦 86(1997),引擎號碼:DF120開頭,圓頭,鼓煞,長烤漆扶手把






AN125U2 幻象星艦 87(1998),引擎號碼:DF130開頭,尖頭,鼓煞,短扶手把.有貨架





AN125U11 遨遊星艦 88(1999),引擎號碼:DF160開頭,圓頭,鼓煞,長烤漆扶手把,UE引擎






AN125T11 遨遊星艦 88(1999),引擎號碼:DF150開頭,圓頭,碟煞,長烤漆扶手把 UE引擎






AN125U21 幻象星艦 88(1999),引擎號碼:DF170開頭,尖頭,鼓煞,長無烤漆扶手把,UE引擎





AN125TA 霹靂星艦 89(2000),引擎號碼:DF152開頭,圓頭,碟煞,短扶手把,烤漆後架,UE引擎






AN125UA 霹靂星艦 89(2000),引擎號碼:DF162開頭,圓頭,鼓煞,短扶手把,烤漆後架,UE引擎






AN125UE 尖頭,鼓煞,長無烤漆扶手把,官方有,車廠沒有







AN125UB 霹靂星艦 90(2001),引擎號碼:DF163開頭,無官方照片
AN125TB 霹靂星艦 90(2001),引擎號碼:DF153開頭,無官方照片
AN125U22 幻象星艦 90(2001),引擎號碼:DF171開頭,無官方照片
AN125UZ 幻象星艦 91(2002),引擎號碼:DF164開頭,尖頭,鼓煞,長無烤漆扶手把,UE引擎
為最後生產的星艦125






========================================
希望讓想要玩星艦的車友們有資料可尋
hx135cb750 wrote:
了解,好奇的是,GSX...(恕刪)

低轉沒力但是省油,我都高轉在騎,一檔起步拉到快一萬,平均油耗只有31,大概3-4檔就可以狠甩一般未改的速克達。

hx135cb750 wrote:
BS26化油器雖複...(恕刪)

就整個加速順暢性,我的改裝管聲音較好聽,但是加速順暢性不如原廠管。
文章分享
評分
評分
複製連結

今日熱門文章 網友點擊推薦!